Lompat ke konten Lompat ke sidebar Lompat ke footer

Pin Ic Tda 7297 / Pin On Amplifier : Why don't you post the voltage readings on each of the ic pins, measuring between the power supply ground and each pin.

Subscribe & enjoy.this video is for detailed information of circuit of tda7297 ic amplifier.with power supply circuit . Can be connected through these pins to control sound volume level. Why don't you post the voltage readings on each of the ic pins, measuring between the power supply ground and each pin. The tda7297sa is a dual bridge amplifier specially designed for tv and portable radio applications. Details, datasheet, quote on part number:

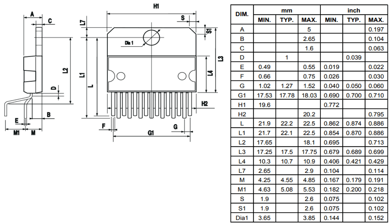
This is one package pinout of tda7297,if you need more pinouts please download tda7297's pdf datasheet. Tda7297sa Datasheet Pinout Application Circuits 10w 10w Dual Bridge Amplifier
Tda7297sa Datasheet Pinout Application Circuits 10w 10w Dual Bridge Amplifier from circuits.datasheetdir.com
Consumer ic type, audio amplifier, audio amplifier. It is typically operated at 12v in portable battery powered audio applications like radio, bluetooth speakers etc package included:1 x tda7297 amplifier ic . There are two types of application for the tda7297. Tda7297 ic is a stereo dual bridge, class ab dual channel audio amplifier. Tda7297 pinout, pinouts tda7297 pinout,pin out. Why don't you post the voltage readings on each of the ic pins, measuring between the power supply ground and each pin. Details, datasheet, quote on part number: This is one package pinout of tda7297,if you need more pinouts please download tda7297's pdf datasheet.

The tda7297sa is a dual bridge amplifier specially designed for tv and portable radio applications.

Details, datasheet, quote on part number: There are two types of application for the tda7297. Pin to pin compatible with: The tda7297sa is a dual bridge amplifier specially designed for tv and portable radio applications. Consumer ic type, audio amplifier, audio amplifier. Tda7297 ic is a stereo dual bridge, class ab dual channel audio amplifier. The full application that allows the standby and mute pins to be controlled by a microprocessor . Can be connected through these pins to control sound volume level. Pins of this ic are compatible with those of the dolby b type nr ics cxa1552m. It is typically operated at 12v in portable battery powered audio applications like radio, bluetooth speakers etc package included:1 x tda7297 amplifier ic . Subscribe & enjoy.this video is for detailed information of circuit of tda7297 ic amplifier.with power supply circuit . Why don't you post the voltage readings on each of the ic pins, measuring between the power supply ground and each pin. This is one package pinout of tda7297,if you need more pinouts please download tda7297's pdf datasheet.

Tda7297 ic is a stereo dual bridge, class ab dual channel audio amplifier. Details, datasheet, quote on part number: It is typically operated at 12v in portable battery powered audio applications like radio, bluetooth speakers etc package included:1 x tda7297 amplifier ic . Can be connected through these pins to control sound volume level. The tda7297sa is a dual bridge amplifier specially designed for tv and portable radio applications.

There are two types of application for the tda7297. Tda7297 Stmicroelectronics Audio Power Amplifier 15 W Ab
Tda7297 Stmicroelectronics Audio Power Amplifier 15 W Ab from in.element14.com
Why don't you post the voltage readings on each of the ic pins, measuring between the power supply ground and each pin. There are two types of application for the tda7297. Subscribe & enjoy.this video is for detailed information of circuit of tda7297 ic amplifier.with power supply circuit . It is typically operated at 12v in portable battery powered audio applications like radio, bluetooth speakers etc package included:1 x tda7297 amplifier ic . The tda7297sa is a dual bridge amplifier specially designed for tv and portable radio applications. Tda7297 pinout, pinouts tda7297 pinout,pin out. Pins of this ic are compatible with those of the dolby b type nr ics cxa1552m. Tda7297 ic is a stereo dual bridge, class ab dual channel audio amplifier.

15w+15w dual bridge amplifier designed by using tda7297 ic.

Consumer ic type, audio amplifier, audio amplifier. This is one package pinout of tda7297,if you need more pinouts please download tda7297's pdf datasheet. 15w+15w dual bridge amplifier designed by using tda7297 ic. Pins of this ic are compatible with those of the dolby b type nr ics cxa1552m. Can be connected through these pins to control sound volume level. Subscribe & enjoy.this video is for detailed information of circuit of tda7297 ic amplifier.with power supply circuit . Why don't you post the voltage readings on each of the ic pins, measuring between the power supply ground and each pin. Tda7297 pinout, pinouts tda7297 pinout,pin out. The full application that allows the standby and mute pins to be controlled by a microprocessor . There are two types of application for the tda7297. Pin to pin compatible with: The tda7297sa is a dual bridge amplifier specially designed for tv and portable radio applications. It is typically operated at 12v in portable battery powered audio applications like radio, bluetooth speakers etc package included:1 x tda7297 amplifier ic .

Pin to pin compatible with: Consumer ic type, audio amplifier, audio amplifier. Why don't you post the voltage readings on each of the ic pins, measuring between the power supply ground and each pin. Tda7297 ic is a stereo dual bridge, class ab dual channel audio amplifier. Pins of this ic are compatible with those of the dolby b type nr ics cxa1552m.

Subscribe & enjoy.this video is for detailed information of circuit of tda7297 ic amplifier.with power supply circuit . Tda7297 Ic Wiring Details
Tda7297 Ic Wiring Details from 1.bp.blogspot.com
There are two types of application for the tda7297. Can be connected through these pins to control sound volume level. Details, datasheet, quote on part number: Pin to pin compatible with: The full application that allows the standby and mute pins to be controlled by a microprocessor . Tda7297 ic is a stereo dual bridge, class ab dual channel audio amplifier. It is typically operated at 12v in portable battery powered audio applications like radio, bluetooth speakers etc package included:1 x tda7297 amplifier ic . The tda7297sa is a dual bridge amplifier specially designed for tv and portable radio applications.

Tda7297 pinout, pinouts tda7297 pinout,pin out.

The tda7297sa is a dual bridge amplifier specially designed for tv and portable radio applications. Tda7297 ic is a stereo dual bridge, class ab dual channel audio amplifier. Details, datasheet, quote on part number: Subscribe & enjoy.this video is for detailed information of circuit of tda7297 ic amplifier.with power supply circuit . This is one package pinout of tda7297,if you need more pinouts please download tda7297's pdf datasheet. Can be connected through these pins to control sound volume level. Pins of this ic are compatible with those of the dolby b type nr ics cxa1552m. The full application that allows the standby and mute pins to be controlled by a microprocessor . It is typically operated at 12v in portable battery powered audio applications like radio, bluetooth speakers etc package included:1 x tda7297 amplifier ic . Pin to pin compatible with: There are two types of application for the tda7297. Consumer ic type, audio amplifier, audio amplifier. 15w+15w dual bridge amplifier designed by using tda7297 ic.

Pin Ic Tda 7297 / Pin On Amplifier : Why don't you post the voltage readings on each of the ic pins, measuring between the power supply ground and each pin.. Details, datasheet, quote on part number: 15w+15w dual bridge amplifier designed by using tda7297 ic. This is one package pinout of tda7297,if you need more pinouts please download tda7297's pdf datasheet. There are two types of application for the tda7297. Can be connected through these pins to control sound volume level.

Posting Komentar untuk "Pin Ic Tda 7297 / Pin On Amplifier : Why don't you post the voltage readings on each of the ic pins, measuring between the power supply ground and each pin."